



梅特勒托利多FWC不锈钢静载称重模块- 静态罐体称量
品名:FWC称重模块
品牌:梅特勒-托利多
型号:FWC
量程:250、500、1250、2500、500、
10,000磅 (110,220、550、1100、2200 和4400公斤)。
梅特勒托利多FWC不锈钢静载称重模块用途:主要用于静态称重,如罐体、料斗、搅拌设备以及其它用于储料和配料的装置
可用于机械衡的机电改造。
梅特勒-托利多称重模块和称重传感器>>梅特勒-托利多压式称重模块>>FWC称重模块
梅特勒托利多FWC不锈钢静载称重模块概述
压式称重模块适用于支撑型储罐和输送滚道,集成了安全保护装置。
具有 OIML、 NTEP 以及危险区域应用的全球认证。
FWC称重模块可以把罐体或其它结构转换为称量装置,从而增加过程控制能力。
主要用于静态称重,如罐体、料斗、搅拌设备以及其它用于储料和配料的装置
可用于机械衡的机电改造。
称量范围 :250、500、1250、2500、500、10,000磅 (110,220、550、1100、2200 和4400公斤)。
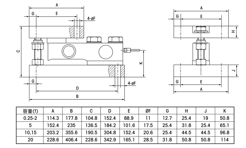
规格 - FWC称模块- 静态罐体称量
装备选项 压式
应用 料罐,槽罐, 料斗
危险区域(防爆)认证 ATEX, Factory Mutual, CSA
Weigh module hardware suitable for hazardous area
*大称量值
250 - 10,000 lb
110 - 4400 kg
梅特勒托利多FWC不锈钢静载称重模块特征和利益
自动复位功能
支撑螺栓,防止设备倾覆
三种顶板结构设计可以消除热胀冷缩带来的称量误差
优质合金钢镀镍或不锈钢材质
采用不锈钢焊接密封传感器(除250 磅)
NEMA 4X 不锈钢接线盒
可选绝缘材料垫,减少颤动、震动, 和热传递
NIST Class III 3000d 和5000d (除250 磅)
OIML C3 R60 3000d
FWC称重模块- 静态罐体称量应用
详细信息
称重模块是用来将罐体或其它结构转变为秤。
压式称重模块可方便地安装到设备支腿或支柱下方。
被测量的重物通过压式称重模块的称重传感器输出相应重量信号,从而得到被测物重量值。
我们可提供各种量程的产品来满足各种动态和静态称重需要。
简述
我公司*销售梅特勒-托利多提供全系列的模拟式和数字式称重传感器,满足从简单称重到高速动态称重的要求。我们还提供称重模块——另外一种传感器,通过结合悬挂式及装配式硬件后将料罐或其它结构转化成衡器。
无论您是替换一个称重传感器还是设计一套完整的称重模块系统,我们的产品*将根据您的称重应用,为您选择*适合的产品。
如果需要有关我们产品的更多详细信息,请与我们联系。
我们会给你*好的服务!*好的价格!
产品型号 产品描述
FWC-0.22 固定式不锈钢静载模块,容量0.22t,4.5M电缆
FWC-0.22 浮动式不锈钢静载模块,容量0.22t,4.5M电缆
FWC-0.22 半浮动式不锈钢静载模块,容量0.22t,4.5M电缆
FWC-0.55 固定式不锈钢静载模块,容量0.55t,4.5M电缆
FWC-0.55 浮动式不锈钢静载模块,容量0.55t,4.5M电缆
FWC-0.55 半浮动式不锈钢静载模块,容量0.55t,4.5M电缆
FWC-1.1 固定式不锈钢静载模块,容量1.1t,4.5M电缆
FWC-1.1 浮动式不锈钢静载模块,容量1.1t,4.5M电缆
FWC-1.1 半浮动式不锈钢静载模块,容量1.1t,4.5M电缆
FWC-2.2 固定式不锈钢静载模块,容量2.2t,4.5M电缆
FWC-2.2 浮动式不锈钢静载模块,容量2.2t,4.5M电缆
FWC-2.2 半浮动式不锈钢静载模块,容量2.2t,4.5M电缆
FWC-4.4 固定式不锈钢静载模块,容量4.4t,4.5M电缆
FWC-4.4 浮动式不锈钢静载模块,容量4.4t,4.5M电缆
FWC-4.4 半浮动式不锈钢静载模块,容量4.4t,4.5M电缆
FWC-9 固定式不锈钢静载模块,容量9t,9M电缆
FWC-9 浮动式不锈钢静载模块,容量9t,9M电缆
FWC-9 半浮动式不锈钢静载模块,容量9t,9M电缆
FWC-13.6 固定式不锈钢静载模块,容量13.6t,9M电缆
FWC-13.6 浮动式不锈钢静载模块,容量13.6t,9M电缆
FWC-13.6 半浮动式不锈钢静载模块,容量13.6t,9M电缆
FWC-20 固定式不锈钢静载模块,容量20t,9M电缆
FWC-20 浮动式不锈钢静载模块,容量20t,9M电缆
FWC-20 半浮动式不锈钢静载模块,容量20t,9M电缆
售后保障
我厂从售前至售后,全程有专员一对一热情服务。让您与我们厂家的合作完全没有后顾之忧。
关于物流
同城可由我司送货上门。省外均发物流送到。部分地区可能物流点稀疏,需要客户自提。
关于发货
每日下午5:00以前的顾客,均可以当天发货,5:00以后的顾客,次日发货。
关于发票
我司所有交易均可开具发票。默认开增值税发票。开的都是含税价格,特殊需求请说明!
上海奕宇电子科技有限公司 沪ICP备11018966号-4
沪公网安备 31011402002201号